SITRANS P320/420 7MF03 7MF04
Overview
SITRANS P320/P420 pressure transmitters are digital pressure transmitters featuring extensive user-friendliness and high accuracy. The parameter assignment is performed using input buttons or the HART interface.
The comprehensive functionality makes for precise adjustment of the pressure transmitter to the requirements of the plant. Operation is very user-friendly in spite of the numerous setting options.
Due to their advanced diagnostic functionalities according to NAMUR NE107, the SITRANS P320/P420 pressure transmitters are very suitable for use in chemical plants. Thanks to the advanced diagnostic functions and the process value storage, the SITRANS P420 is “Ready for Digitalization”.
The “Remote Safety Handling” function saves customers significant amounts of time and money, because the SIL function can be switched on and validated remotely via SIMATIC PDM. This eliminates travel times and on-site operation via the local display or keyboard.
Parameter assignment using the HART protocol is very easy and quick thanks to the innovative EDD with integrated Quick Start wizard.
The transmitters can be equipped with various types of remote seals for special applications such as the measurement of highly viscous substances.
SITRANS P320/P420 pressure transmitters are available in various versions for measuring:
- Gauge pressure
- Absolute pressure
- Differential pressure
- Level
- Volume flow
- Mass flow
Benefits
- Diagnostic functions in accordance with NAMUR recommendation NE107
- SIL devices developed according to IEC 61508
- SIL validation on the device or remotely with SIMATIC PDM
- Reduction of internal inductance for Ex applications to LI = 0
- Step response time for pressure type T63 = 105 ms and for differential pressure type 135 ms.
- Minimal conformity error
- Very low temperature influence
- Very good long-term stability
- High quality and service life
- High reliability even under extreme chemical and mechanical loads
- For corrosive and non-corrosive gases, vapors and liquids
- Extensive diagnostics and simulation functions
- Separate replacement of measuring cell and electronics without recalibration
- Wetted parts made of high-grade materials (e.g., stainless steel, alloy, gold, Monel, tantalum)
- Infinitely adjustable spans from 0.01 bar to 700 bar (0.15 psi to 10153 psi)
- Convenient parameterization over 4 input buttons and HART interface
Application
SITRANS P320/P420 pressure transmitters can be used in industrial areas with extreme chemical and mechanical loads.
The pressure transmitters can be used in zone 1 or zone 0 with the corresponding Ex approval.
The pressure transmitters can be equipped with various designs of remote seals for special applications such as the measurement of highly viscous substances.
The pressure transmitter can be operated locally over 4 input buttons or programmed externally over HART interface.
Pressure transmitters for gauge pressure
Measured variable:
- Gauge pressure of corrosive and non-corrosive gases, vapors and liquids.
Measuring span (infinitely adjustable)
- For SITRANS P320/P420 with HART: 0.01 bar to 700 bar (0.15 psi to 10153 psi)
There are two series:
- Gauge pressure series
- Differential pressure series
Pressure transmitters for absolute pressure
Measured variable:
- Absolute pressure of corrosive and non-corrosive gases, vapors and liquids.
Measuring span (infinitely adjustable)
- For SITRANS P320/P420 with HART: 8.3 mbar a to 160 bar a (0.12 to 2 321 psi a)
There are two series:
- Gauge pressure series
- Differential pressure series
Pressure transmitters for differential pressure and flow
Measured variables:
- Differential pressure
- Small positive or negative overpressure
- Flow q ~ √Δp (together with a primary differential pressure transducer (see section “Flowmeters”))
Measuring span (infinitely adjustable)
- For SITRANS P320/P420 with HART: 1 mbar to 160 bar (0.0145 to 2 321 psi)
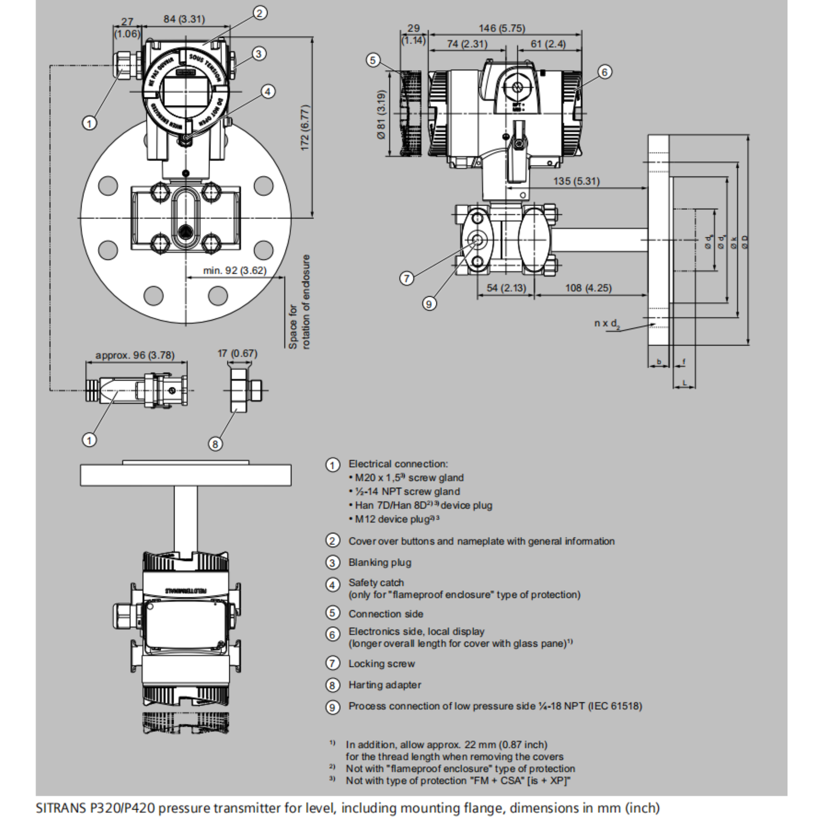
Pressure transmitters for level
Measured variable:
- Level of corrosive and non-corrosive liquids in open and closed vessels.
Measuring span (infinitely adjustable)
- For SITRANS P320/P420 with HART:
25 mbar to 5 bar (0.363 to 72.5 psi)
Type of the mounting flange:
- EN 1092‑1 flanges
- ASME B16.5 flanges
- J.I.S. flanges
- Diverse range of sealing surface forms available














Reviews
There are no reviews yet.